

Wir können Ihnen Lösungen für Korrossionschutz in Ihren Leitungssystemen bieten. Möchten Sie mehr erfahren? Entdecken Sie die Aquanode oder kontaktieren Sie mich
Haben Sie Fragen?
Der Dialog mit unseren Kunden ist uns wichtig. Ob Sie eine Frage zur Technik der Aquanode haben oder Handelspartner sind.
Bitte nehmen Sie mit uns Kontakt auf, wir werden Ihre Anfrage umgehend bearbeiten.
Unsere Mitarbeiter sind von Montag bis Freitag von 09:00 bis 17:00 Uhr für Sie da.
Anschrift
ISB Watertec GmbHSpangerstr. 38a40599 Düsseldorf
schneller Telefonkontakt
+49 211 749685 0
FAQ
Hier finden Sie die häufigsten Fragen zu unseren Produkten und Services übersichtlich nach Themen geordnet
Einsatzbereiche
- Kühlkreislaufsysteme
(Platten- und Röhrenwärmetauschern) - Betriebswasserleitungssysteme, Trinkwasserleitungssysteme
- Maschinenkühlsystemen, Schweißmaschinen, Extrusions- und Spritzgussanlagen, Induktionskühlungen
- Pumpen und Sperrwassersysteme,
Vakuum-, Kreisel-, und Spaltpumpen - Temperieranlagen, Schutz von Reaktormantelkühlungen, Autoklaven
- Adiabatische Klimatechnik,
Düsenstock- und Verrieselungssystemen
- erhöhte Aufwendungen für Instandhaltung durch Korrosion, Kalk und Biofilme
- lange Standzeiten von Anlagen durch erhöhte Wartungsaufwendungen
- hohe Aufwendungen für chemische Dosiermittel und die Kontrolle der MSR (Mess-Steuer-Regeltechnik)
- Ausfall produktionsrelevanter Anlagen (z.B. Pumpen, Wärmetauscher, Kühlsysteme)
Die Schutzanode hilft Kosten zu sparen.
Das Gerät ist geeignet für den Einsatz in metalllischen Rohrleitungen, vor Boilern und vor Armaturen.
Wasserschäden werden verringert
Dazu fallen kaum laufende Betriebskosten an, da die Aquanode keine chemischen Zusätze oder Strom benötigt. Zudem ist die Aquanode sehr wartumgsarm.
- braunes Wasser
- verringerter Durchfluß
- Funktionsstörungen an Armaturen und Durchlauferhitzern
- Rost und Grünspan an Wasserhähnen und Duschen
Installation
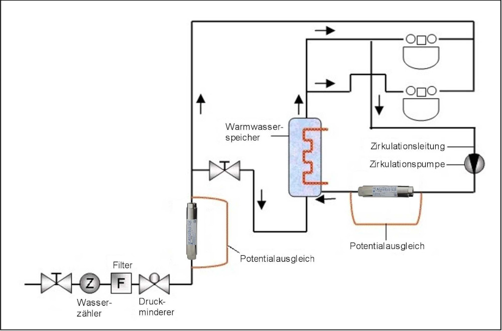
Die Aquanode ist zur vertikalen Installation in Trink-, Brauch- und Prozesswassersystemen vorgesehen. Bei vorgeschaltetem Filter (Hauswasserstation) kann sie auch horizontal installiert werden.
Die Aquanode benötigt keinen Fremdstromanschluss.
Die Installation der Aquanode sollte fachgerecht durch einen von den Stadtwerken zugelassenen Installateur erfolgen (Handwerksrolle / Trinkwasserbereich).
Installation im Kaltwassereingang und in der Warmwasserzirkulationsleitung
Beispiel
sonstiges
Die Schutzanode hat, abhängig von der Wasserqualität, eine Arbeitsdauer von 5 Jahren.
Die Kosten für Austauschgeräte liegen unter den Kosten einer
Neuanschaffung. Die Lieferung der Austauschgeräte (Neugeräte) nach 5 Jahren Betriebszeit erfolgt im Pfandverfahren, d. h. Altgeräte werden nach dem
Austausch an uns zurück gesendet oder von uns abgeholt.
Technik
Nach dem galvanischen Funktionsprinzip wird eine Potenzialdifferenz zwischen einer Opferanode aus Zink und der Kathode in Form eines edleren Metalls aufgebaut. Somit löst sich die Zinkanode auf und begünstigt die Ausbildung einer Schutzschicht auf den Innenwänden der Rohrleitungen.
Zertifizierung
Die Aquanode ist TÜV NORD Baumuster geprüft. Geprüft wurden: Fertigung, Druckbeständigkeit, KTW Empfehlung, DVGW W270 und Umweltbundesamt (UBA) Bewertungsgrundlage für metallene Werkstoffe im Trinkwasser.
Geräteanschlüsse entsprechen der Vorschrift DIN 1988 (TRWI).

Glossar / Lexikon
A
Aktivkohle entfernt Schadstoffe und geschmacksmindernde Stoffe aus dem Wasser. Dabei werden auch gelöste Substanzen wie Chloride und organische Verunreinigungen entfernt. Die Aktivkohle funktioniert bei diesem Prozess wie ein Magnet, der diese Stoffe festhält.
C
Die Chlorung von Trinkwasser in Deutschland noch immer weit verbreitet ist. Aktivkohlepartikel sind in der Lage Chlorverbindungen zu absorbieren.
D
Im Zuge der Deionisierung sollen Mineralstoffe aus dem Wasser entfernt werden. Dies geschieht in der Regel durch Ionenaustauscher.
E
Bei der Enthärtung werden dem Wasser Calzium- und Magnesiumionen entzogen. Dies geschieht häufig mit Ionenaustauschern. Ziel ist es, die Wasserhärte zu minimieren und damit Kalkablagerungen zu verhindern.
K
Neben dem Problem der Korrosion führen hohe Kalzium- und Magnesiumionen Konzentrationen (Härtebildner) zu Kalkablagerungen in Leitungssystem.
Ursache für die unerwünschten Kalkausfällungen ist in den meisten Fällen eine Temperaturerhöhung. Veränderungen von pH-Wert, Kohlensäurekonzentration und Druckverhältnisse können ebenfalls zu Kalkausfällungen führen.
Korrosion und Kalkablagerungen führen zu den bekannten Problemen in Rohrleitungen: Lochfraß, zugesetzte Leitungen und Anlagen sowie braunes Wasser an den Abnahmestellen.
Grund für die riesige Weltproduktion von Eisen und Kupfer ist nicht die ständige Neukonstruktion von Anlagen,sondern Ersatz für korrodierte Bauteile. Korrosion ist die chemische Reaktion eines metallischen Werkstoffes mit Chemikalien (z.B. Chlorid, Sulfat, Sauerstoff, Säuren) aus seiner Umgebung in Gegenwart von Wasser.
Allgemeine Korrosion in Wasser führenden Leitungssystemen ist die Reaktion von Metallen mit Sauerstoff und Elektrolyten, ein elektrochemischer Prozess den es gilt zu verlangsamen.
Kontaktkorrosion resultiert aus dem direkten Kontakt unterschiedlich edler Metalle z.B. Eisen und Kupfer (Stichwort Lokalelement).
Partikel induzierte Korrosion entsteht durch Fremdpartikel in Wasser führenden Leitungen.
Diese Korrosion verursachenden Partikel können sowohl aus der Korrosion des Leitungssystems (z.B. in Kühlkreisläufen, Heizungssysteme) hervorgehen, als auch das Resultat eines Außeneintrages sein (z.B. Trinkwassereinspeisung).
Manchmal kommt es vor, dass in einer Trinkwasserinstallation mehrere Metalle eingesetzt werden, z.B. Kupfer und verzinktes Stahlrohr – man spricht von einer Mischinstallation. Wird hier die sogenannte „Fließregel“ nicht eingehalten, können elektrochemische Prozesse ausgelöst werden. Diese führen im schlimmsten Falle zum Lochfraß und zu Undichtigkeiten. Heinrich Rausch beschreibt, worauf bei der Installation zu achten ist.
Die Fließregel lautet: Bei Trinkwasserinstallationen mit zwei oder mehreren Metallen muss in Fließrichtung gesehen erst der unedle und dann der edle Werkstoff eingesetzt werden. In der Praxis sind damit Installationen aus verzinktem Stahlrohr oder Stahlbehältern (unedel) sowie Kupferrohren und Armaturen aus Kupferlegierungen wie Messing oder Rotguss (edel) gemeint.
Bei der Kombination Kupfer/Rotguss bzw. Kupfer/Messing handelt es sich zwar streng genommen ebenfalls um Mischinstallationen. Da Rotguss und Messing jedoch überwiegend aus Kupfer bestehen, können diese beliebig miteinander kombiniert werden. Ebenso unproblematisch ist übrigens auch die Kombination von Kupfer und Kupferlegierungen mit innenverzinnten Kupferrohren und auch mit Edelstahl.
Im Gegensatz zum Heizungswasser ist im Trinkwasser stets gelöster Sauerstoff enthalten. Kupfer reagiert hiermit und bildet im Normalfall zunächst eine Schutzschicht aus Kupferoxid (zu erkennen an der rotbraunen Färbung des Rohres). Anschließend bildet sich in der Regel eine grüne Deckschicht aus (Patina genannt). Bei beiden Vorgängen wird Kupfer im Wasser gelöst und weiter transportiert. Kommt dieses Kupfer dann mit verzinktem Stahl in Kontakt, so „zementiert“ es dort aus. Dabei geht das unedlere Zink oder Eisen in Lösung. In solchen nachgeschalteten Leitungen oder Anlagenteilen kann es so zu Lochfraß kommen.
Für die Praxis gilt daher vor allem folgender Leitsatz: In Kalt- und Warmwasserrohrnetzen für Trinkwasser dürfen Kupferbauteile niemals vor verzinkten Stahlrohren oder Stahlbehältern eingebaut werden. Dies gilt auch für das innenverzinnte Kupferrohr „Copatin“, da eine Abgabe minimaler Kupfermengen an das Trinkwasser nicht bei allen Trinkwasserbeschaffenheiten hundertprozentig auszuschließen ist.
W
Hartes Wasser führt zur Verkalkung von Haushaltsgeräten, erhöht den Verbrauch von Spül- und Waschmitteln, beeinträchtigt den Geschmack und das Aussehen empfindlicher Speisen und Getränke (z. B. Tee). Hartes Wasser kommt aus Regionen, in denen Sand- und Kalkgesteine vorherrschen.
Weiches Wasser ist günstiger für alle Anwendungen, bei denen das Wasser erhitzt wird, zum Waschen, zum Gießen von Zimmerpflanzen etc. Nachteilig sind jedoch die starke Schaumbildung bei Waschmitteln und die schlechte Entfernbarkeit von Seife z. B. beim Händewaschen. Weiches Wasser steht in Regionen mit Granit, Gneis, Basalt und Schiefer-Gesteinen zur Verfügung. Auch Regenwasser ist weiches Wasser.
Wasserhärte ist ein Begriffssystem der angewandten Chemie, das sich aus den Bedürfnissen des Gebrauchs natürlichen Wassers mit seinen gelösten Inhaltsstoffen entwickelt hat. Konkret wird mit Wasserhärte die Äquivalentkonzentration der im Wasser gelösten Ionen der Erdalkalimetalle, in speziellen Zusammenhängen aber auch deren anionischen Partnern bezeichnet. Zu den „Härtebildnern“ zählen im Wesentlichen Calcium und Magnesium sowie in Spuren Strontium und Barium. Die gelösten Härtebildner können unlösliche Verbindungen bilden, vor allem Kalk und sogenannte Kalkseifen. Diese Tendenz zur Bildung von unlöslichen Verbindungen ist der Grund für die Aufmerksamkeit, die zur Entstehung des Begriffs- und Theoriesystems um die Wasserhärte geführt hat.
- Pflichtfelder




